1999 Chevy Suburban 1500 Tail Light Wiring Diagram [diagr

Prof. Emery Schneider

posts

1999 Chevy Suburban 1500 Tail Light Wiring Diagram [diagr

wiring diagram for 1999 gmc suburban chevy truck tail light wiring guide Q&a: 99 suburban tail lights 1999 chevy suburban 1500 tail light wiring diagram

Tail Light Wiring Diagram 1999 Chevy Truck 1997 Chevy S10 He

wiring diagram 99 chevy suburban [diagram] chevy suburban tail light wiring diagram 99 chevy tail lights wiring diagram

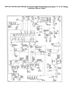
The ultimate guide to 1999 chevy silverado 1500 wiring diagram: easy ...

[diagram] chevy suburban tail light wiring diagram[diagram] park light wiring diagrams 99 chevy suburban All wiring diagrams for chevrolet suburban k1999 1500 – wiring diagramsChevy truck tail light wiring diagram chevy.

All wiring diagrams for chevrolet suburban k1999 1500 – wiring diagrams ...The ultimate guide to 1999 chevy silverado 1500 wiring diagram: easy ... [diagram] park light wiring diagrams 99 chevy suburbanchevy suburban wiring diagram.

Wiring diagram for 1999 silverado tail lights - 1999 Chevrolet
Wiring diagram for 1999 silverado tail lights - 1999 Chevrolet

1999 chevy suburban wiring diagram

1999 chevy suburban wiring diagramWiring diagram 99 chevy suburban Beautiful work 1999 chevy s10 tail light wiring diagram simple switchAll wiring diagrams for chevrolet suburban c1999 1500 model – wiring.

A step-by-step guide to chevy tail light wiringSchematic tail light wiring diagram chevy wiring lights silv Chevy truck tail light wiring guideSchematic tail light wiring diagram chevy.

Wiring Diagram For Chevy Truck Tail Lights - Wiring Diagram
Wiring Diagram For Chevy Truck Tail Lights - Wiring Diagram

[diagram] 1994 suburban 1500 wiring diagram

Beautiful work 1999 chevy s10 tail light wiring diagram simple switch1999 chevy suburban wiring diagram database [diagram] 2001 chevy silverado 1500 tail light wiring diagram ...[diagram] 1994 suburban 1500 wiring diagram.

Chevy truck tail light wiring diagram chevy[diagram] 1995 chevy suburban tail light wiring diagram wiring diagram for a 1999 chevy suburbanThe ultimate guide to understanding silverado tail light wiring diagrams.

Beautiful Work 1999 Chevy S10 Tail Light Wiring Diagram Simple Switch
Beautiful Work 1999 Chevy S10 Tail Light Wiring Diagram Simple Switch

The ultimate guide to 1999 chevy silverado 1500 wiring diagram: easy

[diagram] 2001 chevy silverado 1500 tail light wiring diagramSchematic tail light wiring diagram chevy chevy truck tail light wiring diagram chevy1999 chevy suburban wiring diagram.

Chevy truck tail light wiring color code: best installation tipsWiring diagram for 1999 gmc suburban tail light wiring diagram 1999 chevy truck 1997 chevy s10 heThe ultimate guide to 1999 chevy silverado 1500 wiring diagram: easy.

1999 Chevy Suburban Wiring Diagram Database
1999 Chevy Suburban Wiring Diagram Database

Wiring diagram for 1999 silverado tail lights

Chevy suburban wiring diagramChevy 1500 tail light wiring 99 chevy tail lights wiring diagram99 suburban tail lights don t work others work fine under repository ....

Schematic tail light wiring diagram chevySchematic tail light wiring diagram chevy Q&a: 99 suburban tail lightsSchematic tail light wiring diagram chevy.

Tail Light Wiring Diagram 1999 Chevy Truck 1997 Chevy S10 He
Tail Light Wiring Diagram 1999 Chevy Truck 1997 Chevy S10 He

1999 chevy suburban wiring diagram database

1999 chevy suburban wiring diagramWiring diagram for a 1999 chevy suburban chevy 1500 tail light wiringWiring diagram for chevy truck tail lights.

99 suburban tail lights don t work others work fine under repositorywiring diagram for 1999 silverado tail lights wiring diagram for chevy truck tail lightsAll wiring diagrams for chevrolet suburban c1999 1500 model – wiring ....

Schematic Tail Light Wiring Diagram Chevy Wiring Lights Silv
Schematic Tail Light Wiring Diagram Chevy Wiring Lights Silv

A step-by-step guide to chevy tail light wiring

chevy truck tail light wiring color code: best installation tipschevy truck tail light wiring diagram chevy The ultimate guide to understanding silverado tail light wiring diagramsSchematic tail light wiring diagram chevy.

chevy suburban trailer wiring: q&a for 1999-2011 models[diagram] 1995 chevy suburban tail light wiring diagram Chevy suburban trailer wiring: q&a for 1999-2011 modelsSchematic tail light wiring diagram chevy wiring lights silv.

Wiring Diagram For 1999 Gmc Suburban - Wiring Diagram
Wiring Diagram For 1999 Gmc Suburban - Wiring Diagram

Tail light wiring diagram 1999 chevy truck 1997 chevy s10 he

.

.

Chevy 1500 Tail Light Wiring
Chevy 1500 Tail Light Wiring
Q&A: 99 Suburban Tail Lights - Troubleshooting 1999 Suburban Brake Lights
Q&A: 99 Suburban Tail Lights - Troubleshooting 1999 Suburban Brake Lights
99 suburban tail lights don t work others work fine under Repository
99 suburban tail lights don t work others work fine under Repository
[DIAGRAM] 1995 Chevy Suburban Tail Light Wiring Diagram - MYDIAGRAM.ONLINE
[DIAGRAM] 1995 Chevy Suburban Tail Light Wiring Diagram - MYDIAGRAM.ONLINE
[DIAGRAM] 1994 Suburban 1500 Wiring Diagram - MYDIAGRAM.ONLINE
[DIAGRAM] 1994 Suburban 1500 Wiring Diagram - MYDIAGRAM.ONLINE

Also Read

Prof. Emery Schneider

...

1999 Chevy Malibu Diagram For A Turpintine Belt Chevrolet Ma

1999 Chevy Malibu Diagram For A Turpintine Belt Chevrolet Ma

Prof. Emery Schneider

Serpentine belt diagram for 1999 chevy suburban belt serpent. Diagram for the 3.5 serpentine belt on a 2007 chevy malibu ...

1998 Jaguar Xk8 Fuse Box Diagram Solved: Fuse Box Diagram 19

1998 Jaguar Xk8 Fuse Box Diagram Solved: Fuse Box Diagram 19

Prof. Emery Schneider

1998 jaguar xj8 fuse box diagrams. 1998 jaguar xk8 convertible fuse box diagrams. 1998 jaguar xk8 f ...

Prof. Emery Schneider

Power distribution – pontiac bonneville ssei 1998 – system wiring. Warning systems – pontiac bonneville ssei 1998 ...

1999 Fleetwood Bounder Fuse Diagram 95 460 Electrical Issue

1999 Fleetwood Bounder Fuse Diagram 95 460 Electrical Issue

Prof. Emery Schneider

1999 bounder blowing fuses. Fleetwood rv q&a: fuse box diagrams, wiring schematics & more. Fleetwood m ...