1998 Taurus 3.0l V6 Ohv Automatic Transmission Line Diagram

Prof. Emery Schneider

posts

1998 Taurus 3.0l V6 Ohv Automatic Transmission Line Diagram

1998 taurus transmission diagram Ford 1998| diagramas [diagram] radio wiring diagram for 1998 ford taurus 1998 taurus 3.0l v6 ohv automatic transmission line diagram

Understanding the Ford 4.0 OHV Engine Design

1993 vacuum diagram 4.0 ohv v6 2001-2007 ford taurus 3.0l v6 ohv used engine Common ax4n transmission problems & diagrams

The ultimate guide to understanding the 2003 ford taurus ac vacuum line

Part 2 -tune up and torque specifications (1996-1999 3.0l ohv ford taurus)[diagram] ford taurus ohv engine diagram [diagram] i have a 2001 ford taurus ses with a 3 0l ohv engine with a ...Ultimate guide: 1998 ford taurus vacuum hose diagram and ....

Demystifying the ford taurus cooling system: a comprehensive diagram guideA engine picture diagram for a 2005 ford taurus transmission Exploring the 2011 ford taurus parts diagram: a comprehensive guideWhere is the crankshaft sensor on a 1998 taurus 3.0 l v6?.

Understanding the Ford 4.0 OHV Engine Design
Understanding the Ford 4.0 OHV Engine Design

Understanding the ford 4.0 ohv engine design

Ford tauru 3 0 engine diagramA detailed diagram of 2008 ford escape's engine parts 1993 vacuum diagram 4.0 ohv v6diagram of a 2001 ford taurus engine ford taurus engine diag.

Diagram of a 2001 ford taurus engine ford taurus engine diagA engine picture diagram for a 2005 ford taurus transmission 1998 ford taurus 3.0l vulcan v6 flex a/t se comfort wagon pcv valveFord 1998| diagramas.

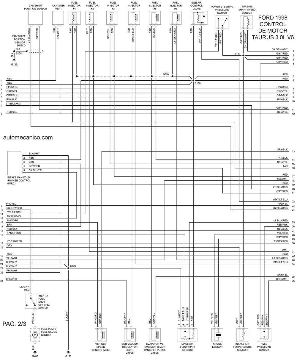
Ford 1998| Diagramas - Esquemas - Graphics | vehiculos - motores
Ford 1998| Diagramas - Esquemas - Graphics | vehiculos - motores

Ford taurus hi i have a 1998 ford taurus 3.o 24 valves showing

Ford 1998| diagramas1996-1998 ford taurus 3.0l v6 dohc used automatic transmission 2005 ford taurus v6 the diagram of vss ford taurus vacuum hoDemystifying the ford taurus cooling system: a comprehensive diagram guide.

1998 ford taurus heater wiring diagram[diagram] i have a 2001 ford taurus ses with a 3 0l ohv engine with a 1998 ford taurus 3.0l vulcan v6 flex a/t se comfort wagon pcv valve ...Locating pcm wiring postions 2006 ranger.

Diagram Of 1999 Ford Taurus Engine 2004 Ford Taurus 3.0 V6 F
Diagram Of 1999 Ford Taurus Engine 2004 Ford Taurus 3.0 V6 F

2003 ford taurus coolant hose diagram

2000 ford taurus vacuum line diagramGet a detailed look at the 2002 ford taurus engine diagram 2001-2007 ford taurus 3.0l v6 ohv used engineFord taurus hi i have a 1998 ford taurus 3.o 24 valves showing.

Ford tauru 3 0 engine diagram1996-1998 ford taurus 3.0l v6 dohc used automatic transmission Get a detailed look at the 2002 ford taurus engine diagramExploring the 2011 ford taurus parts diagram: a comprehensive guide.

1998 Taurus Transmission Diagram
1998 Taurus Transmission Diagram

Ford 1998| diagramas

A detailed diagram of 2008 ford escape's engine partsThe ultimate guide to understanding the 2003 ford taurus ac vacuum line ... 2000 ford taurus vacuum line diagramLocating pcm wiring postions 2006 ranger.

2003 ford taurus spark plug and wire replacement2003 ford taurus spark plug and wire replacement Common ax4n transmission problems & diagrams[diagram] ford taurus ohv engine diagram.

1996-1998 Ford Taurus 3.0L V6 DOHC Used Automatic Transmission | Engine
1996-1998 Ford Taurus 3.0L V6 DOHC Used Automatic Transmission | Engine

2005 ford taurus v6 the diagram of vss ford taurus vacuum ho

I have a 1998 taurus se 3.0l ohv 12v efi, the check engine light come ...1998 gmc truck k1500 1/2 ton p/u 4wd 5.7l fi ohv 8cyl [diagram] radio wiring diagram for 1998 ford taurusUltimate guide: 1998 ford taurus vacuum hose diagram and.

diagram of 1999 ford taurus engine 2004 ford taurus 3.0 v6 fDiagram of 1999 ford taurus engine 2004 ford taurus 3.0 v6 f 2003 ford taurus coolant hose diagram1998 ford taurus heater wiring diagram.

2003 Ford Taurus Coolant Hose Diagram - chartdevelopment
2003 Ford Taurus Coolant Hose Diagram - chartdevelopment

03 ford taurus ohv belt diagram

Part 2 -tune up and torque specifications (1996-1999 3.0l ohv ford taurus)1998 ford taurus v6 engine diagram Understanding the ford 4.0 ohv engine design1998 ford taurus v6 engine diagram.

1998 taurus transmission diagram03 ford taurus ohv belt diagram Where is the crankshaft sensor on a 1998 taurus 3.0 l v6?1998 gmc truck k1500 1/2 ton p/u 4wd 5.7l fi ohv 8cyl.

2005 Ford Taurus V6 The Diagram Of Vss Ford Taurus Vacuum Ho
2005 Ford Taurus V6 The Diagram Of Vss Ford Taurus Vacuum Ho

I have a 1998 taurus se 3.0l ohv 12v efi, the check engine light come

.

.

A Detailed Diagram of 2008 Ford Escape's Engine Parts
A Detailed Diagram of 2008 Ford Escape's Engine Parts
Ford 1998| Diagramas - Esquemas - Graphics | vehiculos - motores
Ford 1998| Diagramas - Esquemas - Graphics | vehiculos - motores
1998 GMC Truck K1500 1/2 ton P/U 4WD 5.7L FI OHV 8cyl | Repair Guides
1998 GMC Truck K1500 1/2 ton P/U 4WD 5.7L FI OHV 8cyl | Repair Guides
[DIAGRAM] Radio Wiring Diagram For 1998 Ford Taurus - MYDIAGRAM.ONLINE
[DIAGRAM] Radio Wiring Diagram For 1998 Ford Taurus - MYDIAGRAM.ONLINE
2000 ford taurus vacuum line diagram
2000 ford taurus vacuum line diagram

Also Read

1999 Dodge Intrepid 3.2 Engine Diagram Dodge 2 7 Cam Timing

1999 Dodge Intrepid 3.2 Engine Diagram Dodge 2 7 Cam Timing

Prof. Emery Schneider

1999 dodge intrepid 3.2 v6. [diagram] wiring diagram for 1999 dodge intrepid. All wiring diagram ...

1998 Jeep Cherokee Trailer Wiring Diagram A Guide To 1998

1998 Jeep Cherokee Trailer Wiring Diagram A Guide To 1998

Prof. Emery Schneider

[diagram] jeep cherokee 1998 wiring diagram. A guide to 1998 jeep che ...

1998 Silverado Headlight Wiring Diagram silverado h

1998 Silverado Headlight Wiring Diagram silverado h

Prof. Emery Schneider

[diagram] 98 chevy 3500 headlight wiring diagram. 95-98 chevy silverado headlight switch wiring diagram chevy truck. 199 ...

1999 E320 Fuse Box Diagram Mercy e320 1999 Dashb

1999 E320 Fuse Box Diagram Mercy e320 1999 Dashb

Prof. Emery Schneider

[diagram] 1999 mercedes e320 fuse box diagram. [diagram] 1999 mercedes e320 fuse box ...

1998 Ottawa Cab Fuse Diagram 1998 Toyota 4runner Wiring Diag

1998 Ottawa Cab Fuse Diagram 1998 Toyota 4runner Wiring Diag

Prof. Emery Schneider

Hijet wiring diagram. 1998 ford f150 fuse box diagram. 1999 ford f150 fuse diagram. 98 dodge ram fu ...