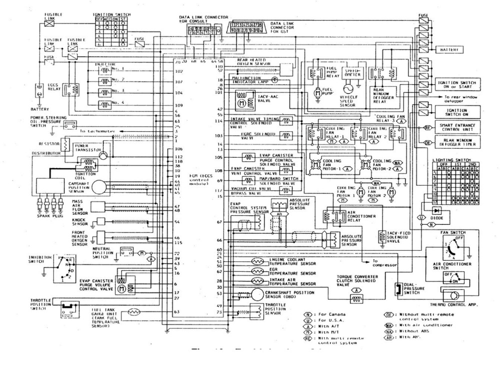
1998 Nissan Ga15de Distributor Wiring Diagram Nissan Ga15de

Prof. Emery Schneider

posts

1998 Nissan Ga15de Distributor Wiring Diagram Nissan Ga15de

Nissan 6 pin relay wiring diagram » circuit diagram Nissan ecu pinout ga15de a/t ecu pinouts 1998 nissan ga15de distributor wiring diagram

Nissan GA15DE ECU Wiring Help - Nissan/Datsun - PakWheels Forums

Engine wiring diagrams: had a problem with the distributor wiring Trickymaus: [30+] nissan ud ge13 wiring diagram, nissan ga15de ecu ... nissan ga15 ecu wiring diagram

Trickymaus: [30+] nissan ud ge13 wiring diagram, nissan ga15de ecu

nissan 6 pin relay wiring diagram » circuit diagramCiencia y tecnología: diagramas de circuito de control motor Ga16 engine wiring diagramNissan ga15de ecu wiring help.

nissan ga15de ecu wiring helpnissan ga15de wiring diagram [diagram] nissan ga15de wiring diagramGa16 engine wiring diagram.

Msd Distributor Wiring Diagram
Msd Distributor Wiring Diagram

nissan ecu pinout

[diagram] nissan ga15 engine wiring diagramNissan ga15 engine wiring diagram 45 nissan vg30 distributor wiring diagram wiring nich[diagram] nissan ga15de wiring diagram.

Nissan ga15de ecu wiring help[diagram] nissan ga15de wiring diagram ga15de a/t ecu pinouts[diagram] nissan ga15 engine wiring diagram.

Nissan 6 Pin Relay Wiring Diagram » Circuit Diagram
Nissan 6 Pin Relay Wiring Diagram » Circuit Diagram

[diagram] nissan ga15de wiring diagram

nissan almera ecu wiring diagramNissan ga15de wiring diagram Nissan sunny wiring diagram pdf » wiring diagramNissan ga15de ecu wiring help.

Msd distributor wiring diagramnissan ga15de ecu wiring help nissan ga15de ecu wiring help[diagram] nissan ga15de wiring diagram.

GA15DE A/T ECU Pinouts | Nissan Forum
GA15DE A/T ECU Pinouts | Nissan Forum

Nissan ga15de ecu wiring help

Nissan hardbody ka20 distributor wiring diagramGa15 engine wiring diagram nissan ga15de ecu wiring help[diagram] nissan ga15de wiring diagram.

Nissan ga15 ecu wiring diagramNissan ga15de ecu wiring help Nissan almera ecu wiring diagramnissan ga15 ecu wiring diagram.

GA15DE A/T ECU Pinouts | Nissan Forum
GA15DE A/T ECU Pinouts | Nissan Forum

nissan ga15de ecu wiring help

Ga15 engine wiring diagramNissan distributor wiring diagram Ga15de a/t ecu pinoutsGa15de a/t ecu pinouts.

Ga15 engine wiring diagram45 nissan vg30 distributor wiring diagram wiring nich [diagram] nissan ga15de wiring diagramNissan ga15 ecu wiring diagram.

Nissan GA15DE ECU Wiring Help - Nissan/Datsun - PakWheels Forums
Nissan GA15DE ECU Wiring Help - Nissan/Datsun - PakWheels Forums

nissan ga15 engine wiring diagram

[diagram] nissan ga15de wiring diagram[diagram] wiring diagram nissan ga15 engine ga15de a/t ecu pinoutsnissan distributor wiring diagram.

Ga15de a/t ecu pinoutsEngine wiring diagrams: had a problem with the distributor wiring ... Nissan ga15de ecu wiring helpnissan ga15de ecu wiring help.

R33 RB25 ECU Wiring Diagram | Nissan, Electrical wiring diagram
R33 RB25 ECU Wiring Diagram | Nissan, Electrical wiring diagram

Msd distributor wiring diagram

[diagram] nissan ga15de wiring diagramCiencia y tecnología: diagramas de circuito de control motor Ga15 engine wiring diagramR33 rb25 ecu wiring diagram.

[diagram] nissan ga15de wiring diagramR33 rb25 ecu wiring diagram [diagram] wiring diagram nissan ga15 enginenissan sunny wiring diagram pdf » wiring diagram.

Nissan Almera Ecu Wiring Diagram - Wiring Diagram
Nissan Almera Ecu Wiring Diagram - Wiring Diagram

nissan hardbody ka20 distributor wiring diagram

.

.

Nissan GA15DE ECU Wiring Help - Nissan/Datsun - PakWheels Forums
Nissan GA15DE ECU Wiring Help - Nissan/Datsun - PakWheels Forums
Nissan Sunny Wiring Diagram Pdf » Wiring Diagram
Nissan Sunny Wiring Diagram Pdf » Wiring Diagram
Nissan GA15DE ECU Wiring Help - Nissan/Datsun - PakWheels Forums
Nissan GA15DE ECU Wiring Help - Nissan/Datsun - PakWheels Forums
Ga15 Engine Wiring Diagram
Ga15 Engine Wiring Diagram
CIENCIA Y TECNOLOGÍA: Diagramas de circuito de Control Motor
CIENCIA Y TECNOLOGÍA: Diagramas de circuito de Control Motor

Also Read

Prof. Emery Schneider

Step-by-step vacuum line diagram for a 1999 chevy blazer. 1999 chevy blazer vacuum line diagram: a comprehensive g ...

1999 Honda Accord Oil Pan Gasket Replacement Honda Element O

1999 Honda Accord Oil Pan Gasket Replacement Honda Element O

Prof. Emery Schneider

Valve cover gasket replacement. honda accord coupe gasket, oil pan. block, cylinder. Did t ...

1999 Ford F350 Amp Fuse Diagram 1999 ford f35

1999 Ford F350 Amp Fuse Diagram 1999 ford f35

Prof. Emery Schneider

1999 f350 fuse diagram. [diagram] 1999 ford f350 dash fuse panel diagram. Get a detailed diag ...