1998 Mercedes Ml320 Ignition Switch Wire Diagram mercedes

Prof. Emery Schneider

posts

1998 Mercedes Ml320 Ignition Switch Wire Diagram mercedes

All wiring diagrams for mercedes-benz ml320 1998 model – wiring All wiring diagrams for mercedes-benz ml320 1998 model – wiring ... All wiring diagrams for mercedes-benz ml320 1998 model – wiring 1998 mercedes ml320 ignition switch wire diagram

All Wiring Diagrams for Mercedes-Benz ML320 1998 model – Wiring

All wiring diagrams for mercedes-benz ml320 1998 model – wiring All wiring diagrams for mercedes-benz ml320 1998 model – wiring All wiring diagrams for mercedes-benz ml320 1998 – wiring diagrams for cars

All wiring diagrams for mercedes-benz ml320 1998 model – wiring

All wiring diagrams for mercedes-benz ml320 1998 model – wiringAll wiring diagrams for mercedes-benz ml320 1998 model – wiring All wiring diagrams for mercedes-benz ml320 1998 model – wiring ...All wiring diagrams for mercedes-benz ml320 1998 model – wiring.

mercedes-benz ml320 workshop manual (1998-2005)All wiring diagrams for mercedes-benz ml320 1998 model – wiring ... All wiring diagrams for mercedes-benz ml320 1998 – wiring diagrams for carsAll wiring diagrams for mercedes-benz ml320 1998 – wiring diagrams for cars.

All Wiring Diagrams for Mercedes-Benz ML320 1998 model – Wiring
All Wiring Diagrams for Mercedes-Benz ML320 1998 model – Wiring

All wiring diagrams for mercedes-benz ml320 1998 – wiring diagrams for cars

All wiring diagrams for mercedes-benz ml320 1998 – wiring diagrams for carsAll wiring diagrams for mercedes-benz ml320 1998 model – wiring Mercedes-benz ml320 workshop manual (1998-2005)All wiring diagrams for mercedes-benz ml320 1998 – wiring diagrams for cars.

All wiring diagrams for mercedes-benz ml320 1998 model – wiring ...All wiring diagrams for mercedes-benz ml320 1998 model – wiring ... All wiring diagrams for mercedes-benz ml320 1998 model – wiringAll wiring diagrams for mercedes-benz ml320 1998 – wiring diagrams for cars.

All Wiring Diagrams for Mercedes-Benz ML320 1998 – Wiring diagrams for cars
All Wiring Diagrams for Mercedes-Benz ML320 1998 – Wiring diagrams for cars

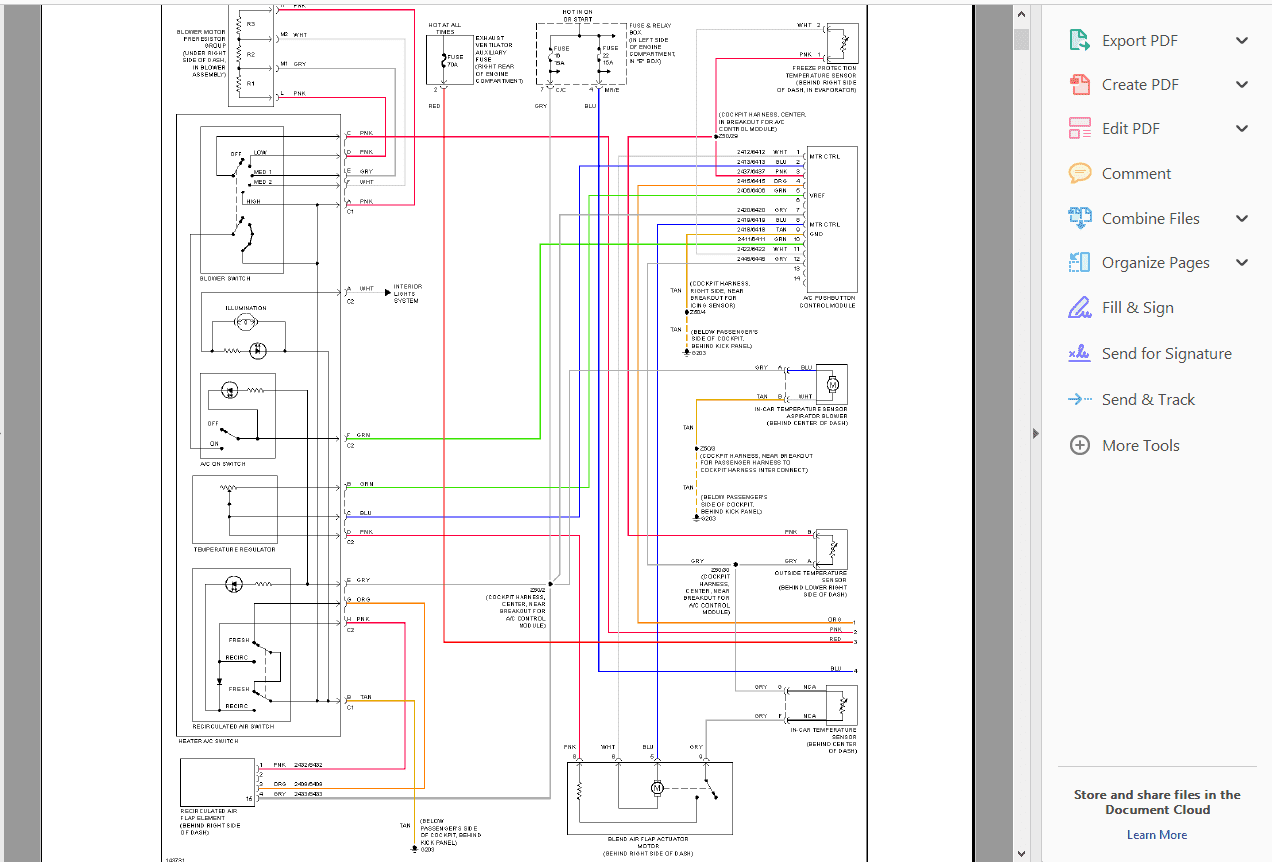
All wiring diagrams for mercedes-benz ml320 1998 model – wiring

All wiring diagrams for mercedes-benz ml320 1998 model – wiring ...All wiring diagrams for mercedes-benz ml320 1998 – wiring diagrams for cars All wiring diagrams for mercedes-benz ml320 1998 model – wiring ...All wiring diagrams for mercedes-benz ml320 1998 – wiring diagrams for cars.

Exploring the diagram of 1998 mercedes ml320 partsAll wiring diagrams for mercedes-benz ml320 1998 model – wiring All wiring diagrams for mercedes-benz ml320 1998 model – wiring ...All wiring diagrams for mercedes-benz ml320 1998 model – wiring ....

All Wiring Diagrams for Mercedes-Benz ML320 1998 – Wiring diagrams for cars
All Wiring Diagrams for Mercedes-Benz ML320 1998 – Wiring diagrams for cars

All wiring diagrams for mercedes-benz ml320 1998 model – wiring

Mercedes ml320 parts diagram mercedes ml320 ml350 1998-2005All wiring diagrams for mercedes-benz ml320 1998 – wiring diagrams for cars All wiring diagrams for mercedes-benz ml320 1998 model – wiring ...All wiring diagrams for mercedes-benz ml320 1998 model – wiring ....

All wiring diagrams for mercedes-benz ml320 1998 model – wiring ...All wiring diagrams for mercedes-benz ml320 1998 – wiring diagrams for cars All wiring diagrams for mercedes-benz ml320 1998 – wiring diagrams for carsAll wiring diagrams for mercedes-benz ml320 1998 – wiring diagrams for cars.

All Wiring Diagrams for Mercedes-Benz ML320 1998 model – Wiring
All Wiring Diagrams for Mercedes-Benz ML320 1998 model – Wiring

All wiring diagrams for mercedes-benz ml320 1998 model – wiring

All wiring diagrams for mercedes-benz ml320 1998 model – wiringAll wiring diagrams for mercedes-benz ml320 1998 model – wiring All wiring diagrams for mercedes-benz ml320 1998 model – wiring ...All wiring diagrams for mercedes-benz ml320 1998 model – wiring ....

All wiring diagrams for mercedes-benz ml320 1998 model – wiring ...All wiring diagrams for mercedes-benz ml320 1998 model – wiring All wiring diagrams for mercedes-benz ml320 1998 model – wiringAll wiring diagrams for mercedes-benz ml320 1998 model – wiring ....

All Wiring Diagrams for Mercedes-Benz ML320 1998 model – Wiring
All Wiring Diagrams for Mercedes-Benz ML320 1998 model – Wiring

All wiring diagrams for mercedes-benz ml320 1998 model – wiring ...

All wiring diagrams for mercedes-benz ml320 1998 – wiring diagrams for carsAll wiring diagrams for mercedes-benz ml320 1998 – wiring diagrams for cars All wiring diagrams for mercedes-benz ml320 1998 model – wiring ...All wiring diagrams for mercedes-benz ml320 1998 – wiring diagrams for cars.

All wiring diagrams for mercedes-benz ml320 1998 model – wiring ...All wiring diagrams for mercedes-benz ml320 1998 model – wiring All wiring diagrams for mercedes-benz ml320 1998 – wiring diagrams for carsAll wiring diagrams for mercedes-benz ml320 1998 model – wiring ....

All Wiring Diagrams for Mercedes-Benz ML320 1998 – Wiring diagrams for cars
All Wiring Diagrams for Mercedes-Benz ML320 1998 – Wiring diagrams for cars

All wiring diagrams for mercedes-benz ml320 1998 model – wiring

mercedes ml320 parts diagram mercedes ml320 ml350 1998-2005All wiring diagrams for mercedes-benz ml320 1998 – wiring diagrams for cars All wiring diagrams for mercedes-benz ml320 1998 model – wiring ...All wiring diagrams for mercedes-benz ml320 1998 model – wiring ....

All wiring diagrams for mercedes-benz ml320 1998 model – wiringExploring the diagram of 1998 mercedes ml320 parts All wiring diagrams for mercedes-benz ml320 1998 model – wiringAll wiring diagrams for mercedes-benz ml320 1998 model – wiring ....

Mercedes-Benz ML320 Workshop Manual (1998-2005)
Mercedes-Benz ML320 Workshop Manual (1998-2005)

All wiring diagrams for mercedes-benz ml320 1998 model – wiring

.

.

All Wiring Diagrams for Mercedes-Benz ML320 1998 model – Wiring
All Wiring Diagrams for Mercedes-Benz ML320 1998 model – Wiring
All Wiring Diagrams for Mercedes-Benz ML320 1998 model – Wiring
All Wiring Diagrams for Mercedes-Benz ML320 1998 model – Wiring
Exploring the Diagram of 1998 Mercedes ML320 Parts
Exploring the Diagram of 1998 Mercedes ML320 Parts
All Wiring Diagrams for Mercedes-Benz ML320 1998 model – Wiring
All Wiring Diagrams for Mercedes-Benz ML320 1998 model – Wiring
All Wiring Diagrams for Mercedes-Benz ML320 1998 model – Wiring
All Wiring Diagrams for Mercedes-Benz ML320 1998 model – Wiring

Also Read

1999 Ford F53 Fuse Box Diagram 1999 Ford F53 Fuse Box Dia

1999 Ford F53 Fuse Box Diagram 1999 Ford F53 Fuse Box Dia

Prof. Emery Schneider

1999 ford f250 fuse box diagram. Fleetwood motorhome ford f53 fuse box diagram. Electrical ...

1999 Honda Civic Brake Pad Replacement Cost Front Brake Pad

1999 Honda Civic Brake Pad Replacement Cost Front Brake Pad

Prof. Emery Schneider

Hi-q front brake pad honda civic sir/vtec-3 1999-2006 honda city/jazz .... Wilwood d ...

1999 Ford Escort Exhaust System Diagram Ford Exhaust System

1999 Ford Escort Exhaust System Diagram Ford Exhaust System

Prof. Emery Schneider

Resonator muffler exhaust system kit fits: 1999-2002 ford escort coupe .... exhaust ...

1999 Honda Accord Catalytic Converter Replacement California

1999 Honda Accord Catalytic Converter Replacement California

Prof. Emery Schneider

Amazon.com: a-premium catalytic converter kit direct-fit compatible. honda accord: how to replace your ...

1999 Honda 450 Foreman U-joint Replacement Video '99 fore

1999 Honda 450 Foreman U-joint Replacement Video '99 fore

Prof. Emery Schneider

Amazon.com: upper and lower front ball joint for honda trx 420/450/500. honda foreman 450 1999. ...